iiyama ProLite XUB2797QSN en XUB2797QSU review: een voordelig knap stel in wit
We hebben eerder al een model uit iiyama's 97-serie besproken, een ultrawide model. Die serie is echter aanzienlijk groter, en omvat naast heel wat beeldschermen in stemmig zwart ook een aantal in kek wit. Dat staat toch een stukje vriendelijker op de thuiswerkplek in de huiskamer. De iiyama ProLite XUB2797QSN-W2 is zo'n wit model, en de ProLite XUB2797QSU-W2 is ontworpen om daar heel goed mee samen te werken. Hoe dat zit lees je in deze review. Daarin gaan we ook in op de subjectieve en gemeten beeldkwaliteit, en het voordeel van zo'n tweeling opstelling.
iiyama XUB2797QSN en XUB2797QSU: het belang van de hoofdletters
Je hoort vaak dat je op de kleine lettertjes moet letten, maar bij monitoren zijn het de kapitalen achter het productnummer die een verhaal vertellen. In het geval van dit tweetal is de XUB2797QSN voorzien van usb-c en een netwerkaansluiting, alsmede een displayport-uitgang; de XUB2797QSU heeft juist redelijk basale ingangen. Hij moet usb-c, netwerk en een displayport-uitgang missen, en heeft een simpeler usb hub. Dat is niet erg, want daardoor is hij ook goedkoper - en kan je voordeliger een opstelling maken met twee mooie witte schermen in plaats van één.
Dit soort koppeltjes zie je bij meer fabrikanten, en is vooral van belang voor de zakelijke markt. Op een werkplek is immers maar één usb-c aansluiting en één netwerkpoort nodig - maar twee schermen, dat is wel zo'n beetje standaard. Zoals op kantoor, zo ook thuis. Van voren bezien ogen deze twee dan ook als een eeneiïge tweeling. Alleen bij de aansluitengen achterop zie je het verschil. En, vooruit, op de stickers die standaard op de voet zitten.
Levering: geen Styrofoam-bom
iiyama levert beide modellen in een behoorlijk duurzame verpakking. Geen grote schalen piepschuim voor de onderdelen en kabels, maar exemplaren van wat we maar eierdozenkarton zullen noemen. Een prettig stevige variant overigens, ik kom het ook wel eens tegen dat het bijkans uiteenscheurt zodra je het vastpakt. Zo niet hier.
In die schalen zitten de onderdelen wel nog verpakt in plastic zakken, althans de deel van de voet en het paneel. De kabels (allemaal in passend wit!) liggen gewoon in afzonderlijke vakken, zij het in sommige gevallen wel bijeengehouden door wat plastic. Maar toch, vergeleken met de doorsnee Styrofoam-bom die veel beeldschermen in huis doen belanden, is dit een verademing. Het zal ook wat te maken hebben met de TCO10-certificering van de 97-serie, die bepaalde eisen stelt op het vlak van duurzaamheid. Hoe het ook zij, heel prettig.
Dat geldt ook voor de standaard 5 jaar garantie die iiyama op deze lijn geeft. Al helemaal in het licht van wat de schermen kosten, want heel duur zijn ze nu ook weer niet. Officieel kost de XUB2797QSN afgerond 300 euro, maar je hoeft niet heel hard te zoeken om met voor beduidend minder in huis te halen. De QSU is nog een stuk voordeliger, 239 euro - maar ook hier zijn lagere prijzen te vinden.
iiyama XUB2797QSN en 2797QSU: wat voor monitoren zijn dit?
De XUB2797QSN en 2797QSU zijn er in zwart en wit. In zwart eindigt de code op -B1 of -B2, in wit op -W1 of -W2. Het getal geeft een versienummer aan, en is verder niet belangrijk voor dit artikel. De lijn is zoals gezegd heel uitgebreid, met modellen van 24 tot 34 inch. De exemplaren die onderwerp zijn van deze review hebben een 27-inch diagonaal, oftewel 68,6 cm. Dat is een prettig formaat, zeker in combinatie met de resolutie op deze schermen. Die bedraagt 2560x1440 pixels, bijna 80% meer werkruimte dan een standaard full hd-monitor. Met twee ervan voor je neus heb je genoeg plek om bijvoorbeeld je mail-toepassing, een chat- of samenwerk-app en een browser of andere toepassing gelijktijdig in beeld te hebben.
De schermen kunnen beelden op hogere snelheid tonen dan tot voor kort gangbaar was voor kantoormonitoren. Met 100Hz heb je een soepeler ervaring, vergelijkbaar met wat veel smartphones ook bieden. Scrollen voelt vloeiender, de muiscursor beweegt soepeler en is beter zichtbaar, en het verplaatsen van vensters voelt ook net even lekkerder. Het is typisch een verschil dat je merkt wanneer je weer een ouder, 60Hz-beeldscherm gebruikt. Gemak went snel. Snellere panelen zijn inmiddels niet duurder, dus het is geen kenmerk waar je een premium voor betaalt. Wel zo prettig.
Beide monitoren hebben een zogeheten ips-paneel, dat zich kenmerkt door goede kijkhoeken. Ook als je er niet recht voor zit, blijven kleuren en contrast consistent. Het contrast is niet het sterkste punt van de ips-techniek, maar de XUB2797-modellen hebben voor ips een bovengemiddeld contrast, waarover verderop meer.
Qua kleurbereik zijn dit geen zogeheten wide gamut-monitoren. Ze geven de sRGB-kleurruimte weer, wat prima aansluit op het merendeel van doorsnee toepassingen. Windows, je browser en eigenlijk elke toepassing is hiervoor geoptimaliseerd. Verwacht alleen geen diepe, zeer verzadigde kleuren zoals je op een luxere wide gamut-monitor zou ervaren. Ook op het vlak van hdr hebben deze schermen niet echt iets te bieden. Het zijn bovenal schermen om op te werken, niet om films op te bekijken of games op te spelen. Het kán, uiteraard, maar hiet is niet het primaire doel.
Aansluiten: opties te over
Zoals gezegd is het voornaamste verschil tussen de iiyama ProLite XUB2797QSN en de XUB2797QSU de aansluitingen waarmee ze zijn uitgerust. Op de XUB2797QSN vinden we: hdmi 2.0, displayport 1.4 en usb-c voor beeldinvoer. Daarnaast is er een usb hub met drie usb-a poorten en een usb-c uitgang, die 15 watt aan stroom kan leveren. Verder zijn er een Ethernet-aansluiting en een 3,5 mm audio-uitgang.
De usb-c ingang van de XUB2797QSN kan 65 watt stroom leveren, voldoende voor de meeste kantoor-, huis-, tuin- en keukenlaptops. Ten slotte onderscheidt deze monitor zich met zijn displayport-uitgang, bestemd om een tweede scherm van een signaal te voorzien, zonder dat je een kabel naar een desktop hoeft te trekken. En laptops hebben zelden een tweede video-uitgang (in elk geval niet zonder een dock of verloopjes).
Op de XUB2797QSU treffen we wat minder aansluitingen: hdmi 2.0, displayport 1.2 en een usb hub met usb-b en twee keer usb-a. Ook hier een 3,5 mm audio-uitgang, maar geen Ethernet, usb-c of displayport-uitgang. Logisch, want dit scherm is bedoeld om aan de QSN te hangen (of aan een desktop pc, dat kan uiteraard ook gewoon).
Beide schermen hebben ingebouwde luidsprekers, met 2x 2 watt versterking.
Bediening en menu van de iiyama ProLite XUB2797QSN en XUB2797QSU
Voor de bediening van het on-screen menu van de monitoren bieden beide een reeks knopjes aan de rechterkant van de onderrand. Het is niet mijn favoriete manier van menu's bedienen, maar het werkt. Al komt het geregeld voor dat ik toch per ongeluk de verkeerde knop indruk en daarmee opeens een menu verlaat of juist een optie aanpas die ik niet wil aanpassen. Het is in deze prijsklasse vrij standaard, en naar verluidt zijn er bedrijven die specifiek vragen om knopjes in plaats van (naar mijn mening) veel gebruiksvriendelijker joysticks.
De menu's zijn verder behoorlijk basaal. Standaard verdwijnt het on-screen menu al na vijf seconden, wat erg rap is. Gelukkig kan je die tijd wel verlengen. Er zijn geen presets voor bepaalde kleurruimtes, en er ontbreekt bijvoorbeeld ook een optie voor de gamma-instelling. Dat zal later nog wel een puntje blijken. Er zijn twee menu-opties 'Miscellaneous'. De tweede daarvan dient om de werking van de aansluitingen bij te werken. Zo kan je instellen of de usb-c poort stroom moet blijven leveren als het scherm in stand-by staat (als het uit staat, doet het dat hoe dan ook niet).
Verder kan je hier instellen hoe de displayport-uitgang werkt. In jargon: multistream transport; staat dit op 'aan', dan kan je het aangesloten scherm afzonderlijk aansturen, met een eigen beeld. Staat het 'uit', dan toont het hetzelfde beeld als op de primaire (QSN) monitor. Ook kan je de snelheid van de usb-a poorten instellen. Voor gebruik van de uitbreid-modus van de displayport-uitgang moeten de usb-a poorten op 2.0-snelheid werken. Opvallend genoeg hier geen instelling voor de snelheid van de netwerkaansluiting. Die hangt vaak ook samen met wat er aan video- en usb-data verwerkt moet worden. Komen we nog op terug.
Het menu van de XUB2797QSU is grotendeels identiek, alleen ontbreekt het tweede 'diversen' menu met MST-instellingen.
Testresultaten: de voornaamste bevindingen
De iiyama ProLite XUB2797QSN en XUB2797QSU bieden zoals gezegd weinig opties in het menu om de weergave aan te passen. Er zijn geen presets voor kleurbereiken als sRGB of DCI-P3, en de iStyle-presets die er zijn, zetten meteen veel opties 'vast'. Er is een 'standard' preset die niet standaard actief is - uit de doos is er geen iStyle preset aan het werk. Zo heb ik dan ook voornamelijk getest.
Daarbij heb ik wel gekeken naar de Cinema preset, maar die levert geen bijzonder kleurecht beeld op. Uit de doos staat het scherm op een helderheid van 90% en een contrast van 80%. Die waardes zeggen weinig, maar het contrast is vaak lager ingesteld. Het staat hier zo hoog om de beloofde helderheid van 300 nits waar te maken, maar heeft wel een duidelijk effect op de gamma-curve.
Met name middentonen worden duidelijk helderder weergegeven. Dat is ook terug te zien aan het gemeten gamma, dat gemiddeld 2,0 bedraagt. Aangezien de meeste software voor een gamma van 2,2 is ontworpen, zorgt dat ervoor dat het beeld waar je naar kijkt overwegend te helder wordt weergegeven. Omdat de versterking vooral in middentonen zichtbaar is, is het niet zichtbaar storend. Je verliest niet direct details in hooglichten, en ook schaduwen worden nog redelijk accuraat donker getoond.
Ik heb de XUB2797QSN zowel getest met het contrast op 80% als op 70%. In het laatste geval daalt de maximale helderheid tot iets onder de 250 nits, wat in een zeer fel verlichte omgeving wel merkbaar is. Het contrast neemt ook af, van ruim 1300:1 naar pakweg 1000:1. Tegelijkertijd neemt het gemiddelde gamma en daarmee de kleurechtheid, zeker voor grijswaarden, wel toe.
Daarnaast is de rgb-balans, net als bij andere recente iiyama-schermen die ik heb getest, niet optimaal afgesteld. Rood en blauw overheersen enigszins. Met een kleine aanpassing zijn de grijswaarden aanmerkelijk neutraler te krijgen. Dat kan via het kleurmenu, door de waarde voor rood op 98 te zetten en voor blauw op 99. Groen kan 100 blijven. Met deze aanpassing is zowel bij een contrast van 70% als van 80% een aanzienlijk kleurgetrouwer plaatje haalbaar. Dan zijn zowel de grijs- als de kleurafwijkingen minimaal.
Heel eerlijk: ook zonder deze aanpassing zijn de testresultaten goed genoeg dat de meeste mensen het beeld prima zullen vinden. Maar het kán dus nog een forse stap beter, ook zonder veel opties daarvoor in het on-screen menu.
De XUB2797QSU leverde een vergelijkbaar resultaat op, zij het met een heel andere afwijking. Hier was het beeld uit de doos veel te blauw. De gammacurve was hier wel heel behoorlijk, dus de contrastregelaar liet ik ongemoeid. Aanpassen van de RGB-balans met een custom kleurtemperatuur (rood 100, groen 97, blauw 94) leverde een aanmerkelijke verbetering in kleurnauwkeurigheid op. Weliswaar ook met een kleine achteruitgang in maximale helderheid, maar minder veel dan op de QSN - en dus zeker iets wat ik voor lief zou nemen.
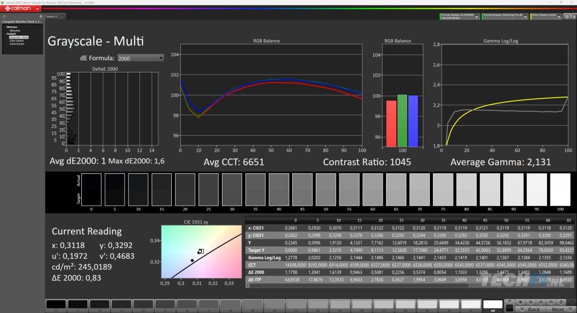
Testresultaten in detail - iiyama ProLite XUB2797QSN en XUB2797QSU
Zoals gemeld bieden deze schermen geen hdr-weergave, dus daar zijn ze ook niet getest. In standaarddynamiek zijn ze met de gebruikelijk methode met Portrait Displays Calman Ultimate doorgelicht. Omdat het gemeten kleurbereik nog geen 80% van de DCI-P3 kleurruimte dekt, is getest met de sRGB-kleurruimte als referentie. Initieel met gamma 2,2 als uitgangspunt. Daarbij is te zien dat de gammacurve niet bepaald loopt zoals die van sRGB eruit zou moeten zien. Met een wat grotere kleur- en grijswaardeafwijking tot gevolg, al valt dit nog binnen de grenzen van wat je met het blote oog zou zien. Verder valt op te merken dat de beloofde helderheid ruimschoots behaald wordt; de minimale helderheid is aan de hoge kant (87 nits) wat betekent dat je het scherm beter met wat omgevingslicht kan gebruiken.
Met een power gamma van 2,0 als referentie doet de ProLite XUB2797QSN het beduidend beter. Het scherm is gewoon over de hele linie wat te helder, wat veroorzaakt wordt door de relatief hoge contrastinstelling. Die zorgt voor een hogere maximale helderheid, maar vertekent ook middentonen.
Om te zien of het scherm nog wat kleurechter uit de hoek kon komen, heb ik wat geëxperimenteerd met een custom kleurtemperatuur op basis van een aangepaste RGB-balans. Met de waardes 98 voor rood, 100 voor groen en 99 voor blauw en een contrast van 70 is het resultaat nog een stuk beter. Het gaat wel behoorlijk ten koste helderheid en contrast (dat neemt af van ruim 1300:1 naar 1000:1). Het resultaat is een zeer nette, kleurechte weergave die sRGB-beelden natuurgetrouw toont. Afgezien van enig detailverlies in donkere grijstonen, waar niets aan te doen is, is dit een uitstekend plaatje.
Uiteindelijk zou ik er toch voor kiezen het contrast ongemoeid te laten (80 procent dus) en genoemde RGB-aanpassing te doen. Dat levert nog steeds een forse verbetering op, zoals in de tweede set afbeeldingen hieronder te zien is.
Bij de iiyama ProLite XUB2797QSU zag ik uit de doos zoals geschreven ook een flinke afwijking voor de grijsweergave, die ook zijn weerslag had op de kleuren. Het gamma was hier minder problematisch, en een kleine aanpassing aan de kleurtemperatuur (met rood op 100, groen op 97 en blauw op 94 procent) leverde een forse vooruitgang in kleurnauwkeurigheid op. Ten koste van een beetje helderheid, dat wel. Die blijft op 315 nits steken, in plaats van 335 nits. Dat zal je niet snel zien. Hieronder zie je achtereenvolgens het testresultaat uit de doos en na aanpassing.
Net als bij eerdere iiyama reviews van de afgelopen jaren lijkt het erop dat het bedrijf minder doet aan kalibratie in de fabriek dan de meeste concurrenten tegenwoordig. De kleurafstelling is overwegend goed, maar de grijsschaal en gamma kunnen beter. Daarnaast valt de afwezigheid van een sRGB-modus op, wat we ook bij de eerder geteste 97-serie monitor constateerden. Aangezien deze schermen met name bestemd zijn voor kantoorgebruik, is het allemaal geen halszaak. Aan de andere kant is nauwkeurige kalibratie bij concurrenten als AOC en Dell wel een standaardvoorziening. Als je ziet hoe eenvoudig de weergave te verbeteren is op deze twee schermen, is het wat spijtig dat iiyama de extra stap niet zet.
iiyama ProLite XUB2797QSN en XUB2797QSU in gebruik als duo
Met alle testresultaten achter de rug zou je wellicht denken dat het beeld op de twee schermen heel anders is. Dat wil je natuurlijk niet als je ze simultaan naast elkaar gebruikt. Er zijn monitorparen die instellingen van elkaar kunnen overnemen met een displayport-doorlus, maar dit duo behoort daar niet toe. Eventuele verschillen in weergave zou je dus handmatig moeten wegpoetsen. Gelukkig blijkt dat in de praktijk niet nodig.
Het goede nieuws is dat de verschillen in de praktijk veel kleiner zijn dan je kan zien. Een standaard Windows desktopafbeelding oogt op het eerste zicht identiek. Pas wanneer ik twee volledig witte schermen naast elkaar zet, zijn verschillen zichtbaar - en ook dan nog minimaal. Als je vooral veel werkt met witte documenten en je bent gevoelig voor dit soort kleine verschillen, kan het de moeite waard zijn om de kleurtemperatuur iets aan te passen. In de foto's kan je het verschil zien tussen het beeld uit de doos en na de aanpassing zoals gedaan bij het testen voor beide schermen. Daarbij staat de helderheid van de XUB2797QSN op 92%, die van de XUB2797QSU op de standaard 90%.
Om op elk scherm een ander beeld te tonen, moet je MST in het on-screen menu activeren. Doe je dat niet, dan 'kloon' je het beeld van de primaire monitor. In combinatie met een laptop 'besloot' Windows opmerkelijk genoeg dat het meest rechterscherm monitor '2' moest zijn, de QSU dus. De QSN kreeg '3' toegewezen. Dat is net andersom dan je zou denken. Met een Intel NUC als bron (zonder eigen beeldscherm dus) was de docking monitor wel het primaire scherm.
Die combinatie werkte overigens opperbest. De Thunderbolt 4-aansluiting van de NUC levert een DisplayPort Alt Mode signaal aan, en de usb-c-ingang van de XUB2797QSN pakt dat prima op. Let wel op dat je de usb-c-kabel in de juiste poort steekt (naast de hdmi en displayport) - de tweede usb-c op dit scherm is puur een downstream-aansluiting voor randapparatuur.
Of je nu een laptop of mini-pc als bron gebruikt, de doorlus is handig, want het scheelt een kabel naar de computer. De NUC heeft wel hdmi-uitgangen, maar geen DisplayPort (alleen Alt Mode via usb-c met Thunderbolt). Veel laptops hebben helemaal geen displayport meer, hooguit usb-c en hdmi. Voor het aansluiten van twee schermen is de doorlus een uitkomst. Dat je beide schermen ook gewoon met 100Hz kan aansturen is ook prettig, daarvoor is kennelijk voldoende bandbreedte.
Ten slotte een opmerking over de netwerkpoort. Ik heb daar even een simpele Speedtest mee gedaan - de internetaansluiting is een glasvezel gigabitverbinding. Het werkt, maar verwacht geen gigabitsnelheid. Je komt zo rond de 300 Mbit/s uit. Ruim voldoende voor de meeste toepassingen, maar beduidend minder dan ik behaal via de WiFi 6 adapter in de Intel NUC - die haalt ruimschoots boven de 700 Mbit/s.
Gameprestaties: 100 Hz vooral voor de vorm
Zoals geschreven bieden de beide iiyama schermen een beeldsnelheid van 100 Hz. Standaard werken ze overigens op 60 Hz, je moet het echt zelf aanpassen in het besturingssysteem. Mocht je denken dat deze eigenschap het potentieel voordelige gaming monitoren maakt, dan moeten we je teleurstellen. Na meting met de OSRTT van de responstijden kunnen we wel stellen dat dit bepaald geen ghostingvrije monitoren zijn. Voor huis-tuin-en-keukengebruik zal je daar geen last van hebben. Ga je snelle shooters spelen, dan zal je het wel merken.
Uit de doos staat op beide schermen de overdrive uit. Die kan je activeren, met drie niveaus. Niveau 2 is daarvan optimaal: lichte overshoot, maar binnen de perken. Niveau 3 zorgt voor zeer storende overshoot-artefacten. Met het middelste niveau komen we voor de XUB2797QSN uit op 60% 'in window' transities: die zijn snel genoeg om zonder naijlen de pixelovergang te tonen. Dat is op zich geen slecht resultaat - maar de resterende 40% wijkt overwegend niet een beetje af, maar komt niet in de buurt van de vereiste drempelwaarde van 10 milliseconden. Met name een flink aantal 'fall' (licht naar donker) overgangen is veel langzamer, met uitersten boven de 24 ms. Dat is niet eens snel genoeg om 60 beelden per seconde ghostingvrij te tonen.
Voor de XUB2797QSU heb ik gefocust op de overdrive 2 stand. Die presteert net wat minder dan op de XUB2797QSN, met 56,67% 'in window'. Ook hier zijn uitersten te zien boven de 24 ms. Voor de aardigheid heb ik gemeten met de aanbevolen RGB-aanpassing en zonder - die aanpassing lijkt een minimale invloed te hebben, want dan komt het percentage 'voldoende snelle' transities op 53,33%. Dat is geen noemenswaardig verschil, zeker omdat de snelheid al niet overhoudt.
Qua input lag doen beide 97-serie schermen het prima, met een gemiddelde invoervertraging van het paneel rond de 5 milliseconden, en uitersten rond de 10 ms. De totale input lag komt rond de 7 ms uit en dat is minder dan 1 frame vertraging bij 100 beelden per seconde.
Mocht je toch gaan gamen, dan is het aan te raden MST uit te zetten - die functie laat zich namelijk niet combineren met een variabele verversingssnelheid. Wil je Freesync of (geforceerde) G-sync compatibiliteit gebruiken, dan moet je het houden bij één scherm.
Conclusie
Wie het bovenstaande heeft doorgespit, komt mogelijk tot de conclusie dat iiyama hier niet z'n beste werk aflevert. Met een grijsafwijking uit de doos die voor verbetering vatbaar is en matige responstijden, en een naar moderne standaarden beperkte kleurdekking, zou je kunnen denken dat we naar een negatieve conclusie toewerken. Dat is echter niet zo, want het gaat ons om het totaalplaatje. Nee, de ProLite XUB2797QSN en -QSU laten zich niet aanbevelen voor kleurkritsch werk of gaming - maar daar zijn ze ook niet voor bedoeld. Dit zijn bovenal schermen om op te werken, te webbrowsen en te mailen, videovergaderen en wie weet je vakantiefoto's door te bladeren. En daarvoor bieden ze alles wat je nodig hebt.
Tegen de sRGB-meetlat zijn de testresultaten ook met de verbeterpunten gewoon ruimschoots voldoende. We zouden hooguit wensen dat iiyama de finetuning voor je doet - het is niet gegarandeerd dat de kleine aanpassingen die ik moest doen aan deze exemplaren, ook de juiste zijn voor een model dat je over een paar maanden koopt. Maar de Japanse fabrikant zorgt wél voor een behoorlijk neutraal, helder en (voor ips) contrastrijk plaatje zo uit de doos. Daar komt bij dat de subjectieve verschillen tussen de twee (die immers als paar voorbestemd zijn) minimaal zijn. Ik maak me sterk dat de meeste mensen het on-screen menu ongemoeid zullen laten, in elk geval voor kleuraanpassingen.
Belangrijker dan een hele hoge mate van kleurnauwkeurigheid is een goede set aansluitingen, waar je met deze twee zeker over beschikt. De XUB2797QSN is zeer compleet uitgerust, de -QSU heeft alles wat hij nodig heeft als secundair scherm. En ook genoeg om als primair scherm bij een desktop te werken, laten we daar ook duidelijk over zijn. Als duo sluit je ze aan met een enkele usb-kabel, en desgewenst prik je muis en toetsenbord in de docking monitor. Persoonlijk zou ik een fijne draadloos muis & toetsenbord setje aanraden, maar wil je bekabeld, dan hoef je in elk geval maar één keer aan te sluiten.
Vervolgens is daar de garantie en de duurzaamheid. Met 5 jaar garantie bieden de 97-serie monitore van iiyama een stuk meer zekerheid dan de 2, hooguit 3 jaar die je op de meeste monitoren krijgt. En ja, het is een absoluut pluspunt dat deze schermen met een zeer kleine hoeveelheid plastic arriveren - en ook relatief duurzaam vervaardigd zijn. Zo'n TCO10-label krijg je niet zomaar.
Ten slotte is daar de prijs. Offiiceel lijkt de XUB2797QSN met 299 euro misschien niet heel goedkoop, maar je krijgt er wel een zeer compleet product voor terug. Bovendien vind je het zonder hard zoeken voor pakweg 40 euro minder, ook bij gerenommeerde verkopers. De XUB2797QSU kost officieel 239 euro, maar vind je zo voor 199 euro - ook vier tientjes minder dus. Een set heb je dan voor minder dan 460 euro. Daar koop je geen 49-inch dubbel-qhd monitor voor.
Kortom, erg veel waar voor je geld en een uitstekende ervaring zo uit de doos. Het maakt de ProLite XUB2797QSN en XUB2797QSU een zeer goede deal, die we elke thuiswerker met een bescheiden budget zouden aanbevelen.
iiyama ProLite XUB2797QSN
iiyama ProLite XUB2797QSU
| iiyama ProLite XUB2797QSN in een oogopslag | |
| Afmetingen | 61,4 x 40 - 55 x 20,95 cm (BxHxD) |
| Gewicht | 6,1 kg |
| Beeldscherm | 27 inch (68,6 cm) IPS LCD QHD (2560x1440), 109 PPI |
| Snelheid | 100 Hz verversingsfrequentie 1 ms MPRT responstijd Adaptive Sync |
| Helderheid | 300 nits (100% APL) |
| Contrast | 1300:1 |
| Kleurweergave | sRGB 99% 8-bits kleur (16,7 mln. kleuren) |
| HDR | nee |
| Aansluitingen | DisplayPort 1.4 DisplayPort-uit HDMI 2.1 TDMS (18 Gbps) USB-C (DP Alt, 65W PD) USB-B x1, USB-A x3 , USB-C x1 (5 Gbit/s) RJ45 Ethernet 3,5 mm audio 2x 2W speakers Voeding (intern) |
| Ergonomie | 15 cm hoogte verstelbaar, -5°-23° kantelen, -60°-60° zwenken |
| Bijzonderheden | DP-uit met MST |
| Testresultaten Portrait Calman Ultimate |
Helderheid wit (10% APL, UB uit) |
| Testresultaten OSRTT |
Responstijden (100 Hz, OD 2): Gemiddeld waargenomen: 10,9 ms Percentage < 10 ms: 60% Beste: 3,5 ms Slechtste: 24,7 ms Input lag (100Hz): Gem. on-display lag: 4,9 ms Laagste on-display lag: 0,1 ms Hoogste on-display lag: 10,1 ms |
| Fabrikantsinfo | Lees meer bij iiyama |
| Adviesprijs | € 299 |
| Koop bij | |
| iiyama ProLite XUB2797QSU in een oogopslag | |
| Afmetingen | 61,4 x 40 - 55 x 20,95 cm (BxHxD) |
| Gewicht | 5,7 kg |
| Beeldscherm | 27 inch (68,6 cm) IPS LCD QHD (2560x1440), 109 PPI |
| Snelheid | 100 Hz verversingsfrequentie 1 ms MPRT responstijd Adaptive Sync |
| Helderheid | 300 nits (100% APL) |
| Contrast | 1300:1 |
| Kleurweergave | sRGB 99% 8-bits kleur (16,7 mln. kleuren) |
| HDR | nee |
| Aansluitingen | DisplayPort 1.2 HDMI 2.1 TDMS (18 Gbps) USB-B x1, USB-A x2 3,5 mm audio 2x 2W speakers Voeding (intern) |
| Ergonomie | 15 cm hoogte verstelbaar, -5°-23° kantelen, -60°-60° zwenken |
| Testresultaten Portrait Calman Ultimate |
Helderheid wit (10% APL, UB uit) |
| Testresultaten OSRTT |
Responstijden (100 Hz, OD 2): Gemiddeld waargenomen: 11 ms Percentage < 10 ms: 56,67% Beste: 3,8 ms Slechtste: 24,7 ms Input lag (100Hz): Gem. on-display lag: 5,8 ms Laagste on-display lag: 0,1 ms Hoogste on-display lag: 11 ms |
| Fabrikantsinfo | Lees meer bij iiyama |
| Adviesprijs | € 239 |
| Koop bij | |















